Recent Posts

This model will concentrate on a particular sector/area of a chemical plant. The process flow diagram below is an example of a schematic or block flow diagram and depicts the various unit processes within a typical oil refinery: As you add shapes, they will connect and remain connected even if you need to move or delete items. It is used to design new systems or to describe and improve existing ones. Block diagram what is a block diagram?

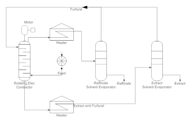
This would be a separate flow diagram that details what would have been present inside of one of the blocks in the plant diagram. Chemical Engineering Draw A Block Flow Diagram For Chegg Com
Chemical Engineering Draw A Block Flow Diagram For Chegg Com from media.cheggcdn.com
Block diagram what is a block diagram? The blocks are listed by category at the bottom of the main window (columns, reactors, etc.) in a toolbar known as the 'model library', a portion is shown in figure 3.1. Chemical engineering world (cew) chemical engineering world (cew) "chemical engineering world" is a leading community in world who's related to chemical industries, pharmaceuticals, refinery, power plant & offshore. A block diagram is a specialized flowchart used in engineering to visualize a system at a high level. A short summary of this paper. 9 full pdfs related to this paper. This model will concentrate on a particular sector/area of a chemical plant. Diagrams have been used since prehistoric times on walls of caves, but became more prevalent during the enlightenment.

A short summary of this paper.

"chemical engineering world" is a leading online learning platform for get lot of updated knowledge about following streams. There are a wide variety of … 01.03.2015 · block flow process diagram. Create your block diagram to identify the most important … Control processing unit (cpu) memory system; A block diagram is a specialized flowchart used in engineering to visualize a system at a high level. Diagrams have been used since prehistoric times on walls of caves, but became more prevalent during the enlightenment. Block diagram what is a block diagram? The word graph is sometimes used as a synonym … As you add shapes, they will connect and remain connected even if you need to move or delete items. Each component has associated specific functions and operations in the plc. The blocks are listed by category at the bottom of the main window (columns, reactors, etc.) in a toolbar known as the 'model library', a portion is shown in figure 3.1. A short summary of this paper.

In the chemical engineering technology program, you'll study engineering design calculations, chemical process unit operations, process simulation and control, safety and environmental engineering. A diagram is a symbolic representation of information using visualization techniques. The blocks are listed by category at the bottom of the main window (columns, reactors, etc.) in a toolbar known as the 'model library', a portion is shown in figure 3.1. Create your block diagram to identify the most important … You can see all these above plc components in the …

Create your block diagram to identify the most important … Process Flow Diagram Types Of Process Flow Diagram With Examples
Process Flow Diagram Types Of Process Flow Diagram With Examples from chemicaltweak.b-cdn.net
As you add shapes, they will connect and remain connected even if you need to move or delete items. A diagram is a symbolic representation of information using visualization techniques. You can see all these above plc components in the … 26.05.2019 · the block diagram of plc consists of different components. This model will concentrate on a particular sector/area of a chemical plant. The process flow diagram below is an example of a schematic or block flow diagram and depicts the various unit processes within a typical oil refinery: 01.03.2015 · block flow process diagram. The first step in developing a simulation is to develop the process flow diagram (pfd), which consists of the unit operations (blocks) and streams that feed and connect the blocks.

The word graph is sometimes used as a synonym …

It is used to design new systems or to describe and improve existing ones. In the chemical engineering technology program, you'll study engineering design calculations, chemical process unit operations, process simulation and control, safety and environmental engineering. The blocks are listed by category at the bottom of the main window (columns, reactors, etc.) in a toolbar known as the 'model library', a portion is shown in figure 3.1. Create your block diagram to identify the most important … A block diagram is a specialized flowchart used in engineering to visualize a system at a high level. 9 full pdfs related to this paper. Diagrams have been used since prehistoric times on walls of caves, but became more prevalent during the enlightenment. The first step in developing a simulation is to develop the process flow diagram (pfd), which consists of the unit operations (blocks) and streams that feed and connect the blocks. A short summary of this paper. "chemical engineering world" is a leading online learning platform for get lot of updated knowledge about following streams. This model will concentrate on a particular sector/area of a chemical plant. The list of basic components are. As you add shapes, they will connect and remain connected even if you need to move or delete items.

A diagram is a symbolic representation of information using visualization techniques. The blocks are listed by category at the bottom of the main window (columns, reactors, etc.) in a toolbar known as the 'model library', a portion is shown in figure 3.1. In the chemical engineering technology program, you'll study engineering design calculations, chemical process unit operations, process simulation and control, safety and environmental engineering. The first step in developing a simulation is to develop the process flow diagram (pfd), which consists of the unit operations (blocks) and streams that feed and connect the blocks. Each component has associated specific functions and operations in the plc.

Transfer Functions For Cascade Control Using A Block Diagram Youtube from i.ytimg.com
There are a wide variety of … Chemical engineering world (cew) chemical engineering world (cew) "chemical engineering world" is a leading community in world who's related to chemical industries, pharmaceuticals, refinery, power plant & offshore. This model will concentrate on a particular sector/area of a chemical plant. You can see all these above plc components in the … In the chemical engineering technology program, you'll study engineering design calculations, chemical process unit operations, process simulation and control, safety and environmental engineering. A short summary of this paper. The word graph is sometimes used as a synonym … The first step in developing a simulation is to develop the process flow diagram (pfd), which consists of the unit operations (blocks) and streams that feed and connect the blocks.

This would be a separate flow diagram that details what would have been present inside of one of the blocks in the plant diagram.

26.05.2019 · the block diagram of plc consists of different components. Block diagram what is a block diagram? As you add shapes, they will connect and remain connected even if you need to move or delete items. Chemical engineering world (cew) chemical engineering world (cew) "chemical engineering world" is a leading community in world who's related to chemical industries, pharmaceuticals, refinery, power plant & offshore. A diagram is a symbolic representation of information using visualization techniques. There are a wide variety of … "chemical engineering world" is a leading online learning platform for get lot of updated knowledge about following streams. This would be a separate flow diagram that details what would have been present inside of one of the blocks in the plant diagram. Control processing unit (cpu) memory system; You can see all these above plc components in the … A pfd can be computer generated from process simulators (see list of chemical process simulators), cad packages, or flow chart software using a library of … Full pdf package download full pdf package. The list of basic components are.

Block Diagram Chemical Engineering : Process Fundamentals Introduction To Chemical And Biological Engineering :. The blocks are listed by category at the bottom of the main window (columns, reactors, etc.) in a toolbar known as the 'model library', a portion is shown in figure 3.1. This would be a separate flow diagram that details what would have been present inside of one of the blocks in the plant diagram. Diagrams have been used since prehistoric times on walls of caves, but became more prevalent during the enlightenment. You can see all these above plc components in the … "chemical engineering world" is a leading online learning platform for get lot of updated knowledge about following streams.

01032015 · block flow process diagram engineering block diagram. A short summary of this paper.

Post a Comment